Power Supply Selection: An Essential Guide
Power supplies are vital to functioning electronic systems, as they deliver the energy needed for the efficient running of gadgets
Power Supply Selection: An Essential Guide
Power supplies are vital to functioning electronic systems, as they deliver the energy needed for the efficient running of gadgets

Whether you're an engineer, a hobbyist, or a technical enthusiast, choosing the correct power supply is critical for achieving peak performance. This guide will walk you through the essential issues and factors in selecting a power supply, allowing you to make informed decisions based on your technical needs.

Figure 1: Block diagram of a power supply(Source)
Topology refers to the arrangement and design of components in a power supply. It significantly influences voltage accuracy, load response, performance, and reliability while also meeting specific needs such as size, control, and noise reduction. There are different kinds of accessible topologies, and understanding the strengths and limits of each topology allows you to make an informed decision customized to your specific application.
To learn more about switching topologies, please check with Farnell - Voltage Topologies – Part 1 of 2 and Voltage Topologies – Part 2 of 2
Electromechanical generators are favored for AC electricity production, characterized by polarity reversal. AC is typically derived from local power networks as a single- or three-phase source before being converted to DC by electronic equipment.

Figure 2: AC distribution system (Source)
Output regulations: A regulated power supply converts unregulated AC to a constant DC, ensuring that the output current remains constant even when the input voltage changes. The initial set accuracy determines the power supply output point, usually under predefined parameters such as nominal input and 50% load. This is critical for external power supplies with output cables, as they can cause voltage drops with a tolerance of less than 1% of the nominal voltage. The main parameters and techniques considered for DC output regulations are line and load regulations, cross regulations, temperature co-efficient, remote sensing, etc.
Line regulation- Line regulation measures the power supply output change with variation in input voltage over a specified range, typically the full specified input voltage range. It's expressed as a percentage.

VOUT (Nominal) is the output voltage at the nominal line input voltage.
VOUT (Max) is the maximum output voltage measured over the specified input range.
VOUT (Min) is the minimum output voltage measured over the selected input range.
Load regulation- Load regulation gauges a power supply's ability to maintain output within specified limits over a set load range, expressed as a percentage. The load range depends on the product type and design outlined in the datasheet.

where VOUT (Nominal) is the nominal output voltage.
VOUT (Max) is the output voltage at maximum output current.
VOUT (Min) is the output voltage at minimum output current.
Remote sense- Remote sense adjusts the output at the load instead of the supply terminals, compensating for voltage drops. With this feature, power supplies and DC-DC converters have two sense connections—one for positive and another for return—allowing connection at the load, even at a distance from the supply.

Figure 3: Remote sense(Source)
Transient load response - Transient response measures the speed and effectiveness of a power supply or DC-DC converter in adapting to sudden changes in current demand.

Figure 4: Response of a power converter to abrupt changes in load current(Source)
Figure 5: Ripple & Noise for Regulated, Switched Power supply(Source)

Figure 6: Ripple & Noise for Regulated, Linear Power supply(Source)

Minor voltage variations at the power supply's operating frequency cause imperfect conversion from the AC manifest, which in turn causes ripples. It depends on the load and can affect sensitive instruments. Noise, on top of ripple, comes from various sources like switching and external electronics. It's unpredictable, high-frequency, and can negatively impact sensitive circuits. Both are measured in peak-to-peak voltage and specified in the power supply's datasheet. Understanding them is crucial for choosing the right supply for your application, especially for sensitive tasks.
Output protection - Output protection in power supplies and DC-DC converters prevents the power solution and end equipment from damage, safeguards against overload, and protects the end equipment from over-voltage and excessive fault current. Circuits protect the power supply and load from excessive current by limiting the current or power in case of overload or short circuit at the output. The following techniques are used for protection against overloads:
Trip & Restart or ‘Hiccup’ mode - This protection mode's power supply goes for a preset shutdown when it detects an overload and then attempts to restart. If overload persists, it repeats the cycle until removed. The duration of the Off-time and voltage thresholds vary depending on the impedance of the overload.
Constant power limit - This is used in multi-output power supplies to monitor and limit primary power, enabling power trading across outputs without exceeding the overall power rating.
Constant Current Limit: Output current is maintained at a predetermined level beyond the maximum load, accommodating high inrush loads like capacitors, lamps, and motors during power-up. The removal of overload causes the supply to return to constant voltage mode.
Foldback Current Limit: Voltage and current decrease simultaneously with load impedance reduction during overload, preventing excessive dissipation in the series pass element. This feature is widely used in linear power supplies with crowbar over-voltage protection to limit fault current.
Series & Parallel Operation: When an application uses several power supplies, it's essential to evaluate the system's earth leakage current to meet safety regulations.
Power supply and DC-DC converters can be connected in series, but caution is advised to avoid interference between them. The overall output voltage must not be greater than the operational output-to-earth breakdown voltage of either one of the power supplies.

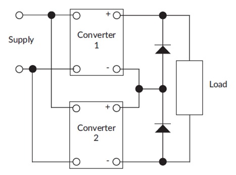
Figure 7: Block diagram of series operation(Source)
Connecting two or more power supplies in parallel is a standard solution for power increase. Make a star formation with the load in the center to ensure almost equal lead lengths. Avoid looping one power supply to the next to prevent connector overloads and poor sharing.

Figure 8: Block diagram of parallel operations(Source)
| Type | Features and benefits | Ideal for | Product buy kink |
|---|---|---|---|
| Linear power supplies | Excellent low-noise performance due to low output ripple, simple design, and ease of use. | Applications demanding low noise, like sensitive analog circuits, audio equipment, and precision testing | linear power supplies Bench Power Supplies Bench Power Supplies |
| Switching power supplies | High efficiency, compact size, wide voltage regulation range, and ability to handle high output powers. | Applications like portable devices, power converters, and embedded systems require high efficiency, compact solutions, or wide voltage adaptability. | switching power supplies |

Figure 9: Structure and appearance of linear power supplies(Source)

Figure 10: Structure and appearance of switching mode power supplies(Source)

Figure 11: Adjustable power supply(Source)
Choose a power supply based on your priorities
| Feature | Linear | Switching |
|---|---|---|
| Noise performance | High | Moderate |
| Noise performance | High | Moderate |
| Efficiency | Low | High |
| Size | Large | Compact |
| Voltage regulation | Limited | Wide |
| Cost | Lower | Higher |
| Complexity | Simpler | More complex |
| Ease of use | Easier | More technical |
How DC-DC converters are more effective in comparison to voltage regulators. (Source-element14 community)
| Parameters | DC/DC converter (Switching regulator) | Voltage regulator |
|---|---|---|
| Function | Steps-down, Steps-up, Buck-boost, and Invert | Only lower the voltage |
| Efficiency | Efficiency is high with less heat generation | Relatively less efficient due to high power losses |
| Complexity | Medium to high usually requires diodes, inductors, filter capacitors, and IC. External FET is required for high-power circuits | Low usually requires only the regulator and low-value bypass capacitors |
| Noise | Medium to high | Low |
| Size | It is more significant than voltage regulators at low power levels but smaller at power levels for which voltage regulator requires a heat sink | Small to medium in portable designs, but may be larger if heatsinking is required |
| Cost | Medium to high, mainly due to external components | cheaper at low power levels |
The correct power supply selection involves considerations beyond voltage and amperage. For technical applications, safety and protection are also significant concerns. The crucial concerns for safeguarding the circuits and ensuring reliable operation are:
Overvoltage and Overcurrent: These are the most common threats to the equipment. Overvoltage occurs when the supply delivers a higher voltage than the circuit can handle, potentially damaging components or causing malfunctions. Similarly, overcurrent happens when the circuit draws more current than the supply can provide, leading to overheating and potential fire hazards.
Protection measures:Overvoltage protection (OVP) - Most power supplies have built-in OVP circuits that automatically shut down the output when the voltage exceeds a preset limit. Some offer adjustable thresholds for fine-tuning protection.

Figure 12: Overvoltage Protection circuit diagram(Source)
Overcurrent Protection (OCP) - Like OVP, OCP circuits trip and cut off the current if it surpasses a defined threshold. Adjustable OCP allows tailoring protection to specific circuit needs.

Figure 13: Overcurrent Protection circuit diagram(Source)
Short circuit protection: Short circuits occur when unintended connections allow current to flow through unintended paths, potentially causing excessive heat and component failure.
Protection measures-Foldback Current Limiting- This feature automatically reduces the output current when a short circuit is detected, minimizing damage and allowing for safe recovery.
Grounding and Isolation: Proper grounding prevents electrical shocks and equipment damage. Isolation minimizes noise and interference.
Protection Measures- For safe current drainage, connect the power supply's ground to a proper earth ground. Power supplies with good isolation ratings should be chosen to increase circuit stability and minimize noise coupling.Grounding:
Environmental Factors: Dust, moisture, and extreme temperatures can affect its performance and lifespan.
Protection measures-The following devices constitute the primary components that protect electronic equipment from damage:
| Device | Description |
|---|---|
| Transport | - Semiconductor device Sharp characteristics Fast response, low energy |
| MOV (Metal Oxide Varistor) | - SVoltage-dependent resistor Soft characteristics Medium response high energy |
| GDT (Gas Discharge Tube) | - Gas-filled spark gap Slow response, very high energy Used in conjunction with MOV |
| Active electronic protection | - Used for vehicle traction applications Linear regulator or open circuit |
It is essential to adhere to established standards for optimal power supply performance in various contexts.
At a glance - what element14 offering you in different varieties of power supplies
| Products | Buy link |
|---|---|
| AC / AC Power Supplies | Buy now |
| AC / DC DIN Rail Mount Power Supplies | Buy now |
| Isolated DIN Rail Mount DC / DC Converters | Buy now |
| DC / DC UPS - Uninterruptible Power Supplies | Buy now |
| Power Supply Accessories | Buy now |
Professionals must acquire skills in various power supply types and understand the subtleties of different power supply types. For technical audiences, it is critical to consider crucial aspects and stay up-to-date on evolving technology. This comprehensive guide is a valuable resource that provides technical professionals, engineers, and enthusiasts with the knowledge to make informed decisions and ensure success in diverse technological applications.